Індикатор
заповнення баку
— ІЗБ-1
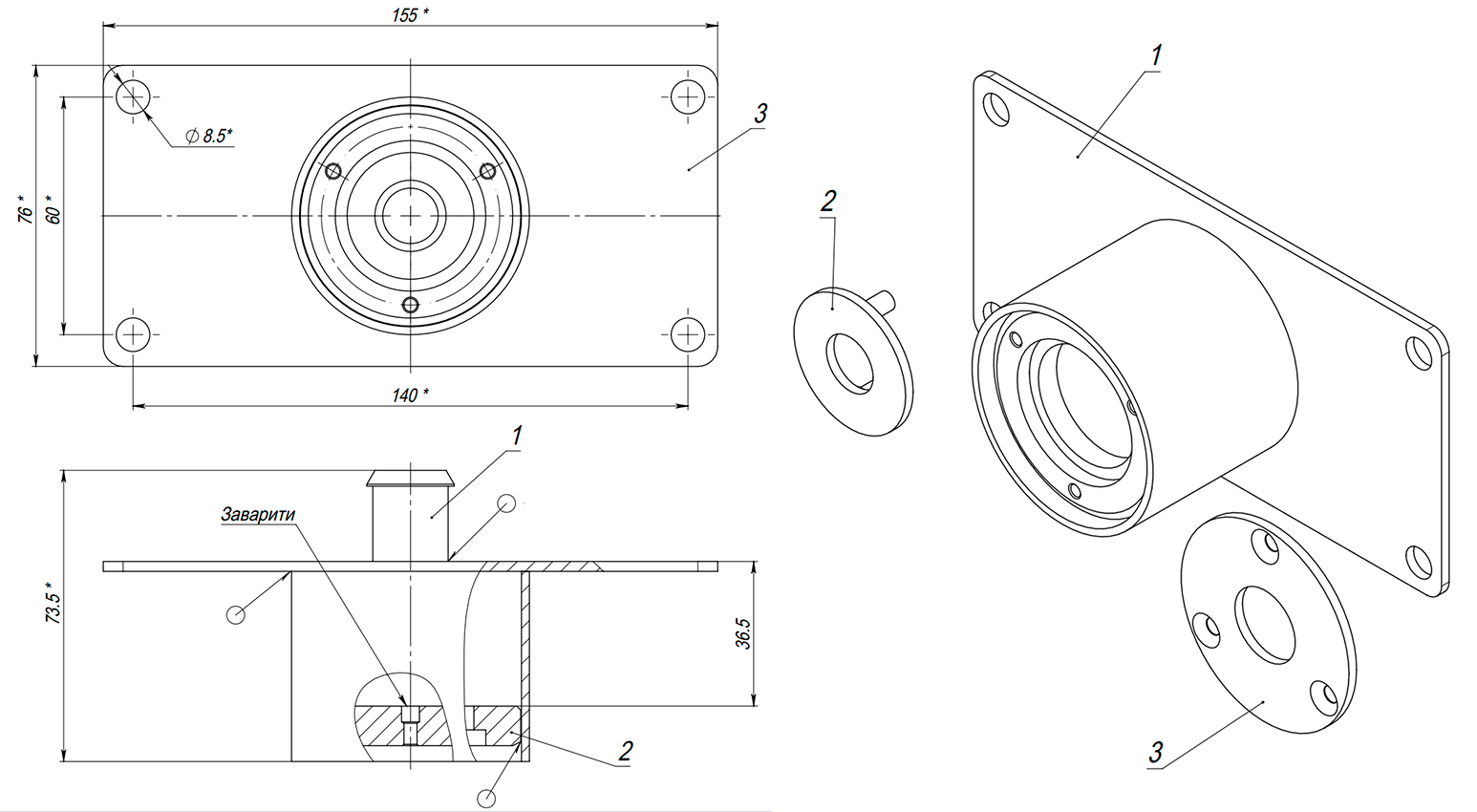
Індикатор ІЗБ-1 призначений для відображення стану наповнення бака
Корпус індикатора сталевий
Відповідає вимогам ДСТУ 4049, ДСТУ 4493,ДСТУ EN 60598-1
Робоча температура навколишнього середовища від мінус 40 до плюс 45 °С
Ступінь захисту корпусу від доступу до небезпечних частин та проникнення зовнішніх твердих предметів і води згідно з ДСТУ EN 60529 – ІР65
Клас захисту людини від ураження електричним струмом за ДСТУ EN 61140 – ІІІ клас
01.
Технічні характеристики
-
Напруга живлення: 24 В
-
Рід струму: постійний
-
Струм: 20 мА
-
Споживна потужність: 0,5 Вт
-
Колір світіння: жовтий
-
Сила світіння: 1000 мкд
-
Підключення: WAGO 236
-
Ступінь захисту: IP65
-
Маса: 0,65 кг
-
Габаритні розміри:
-
-
155x76x74 мм
-
