Buffer light
red — LR-120
The LR-120 buffer light is designed for signal lighting of locomotives, multiple units, and special railway rolling stock
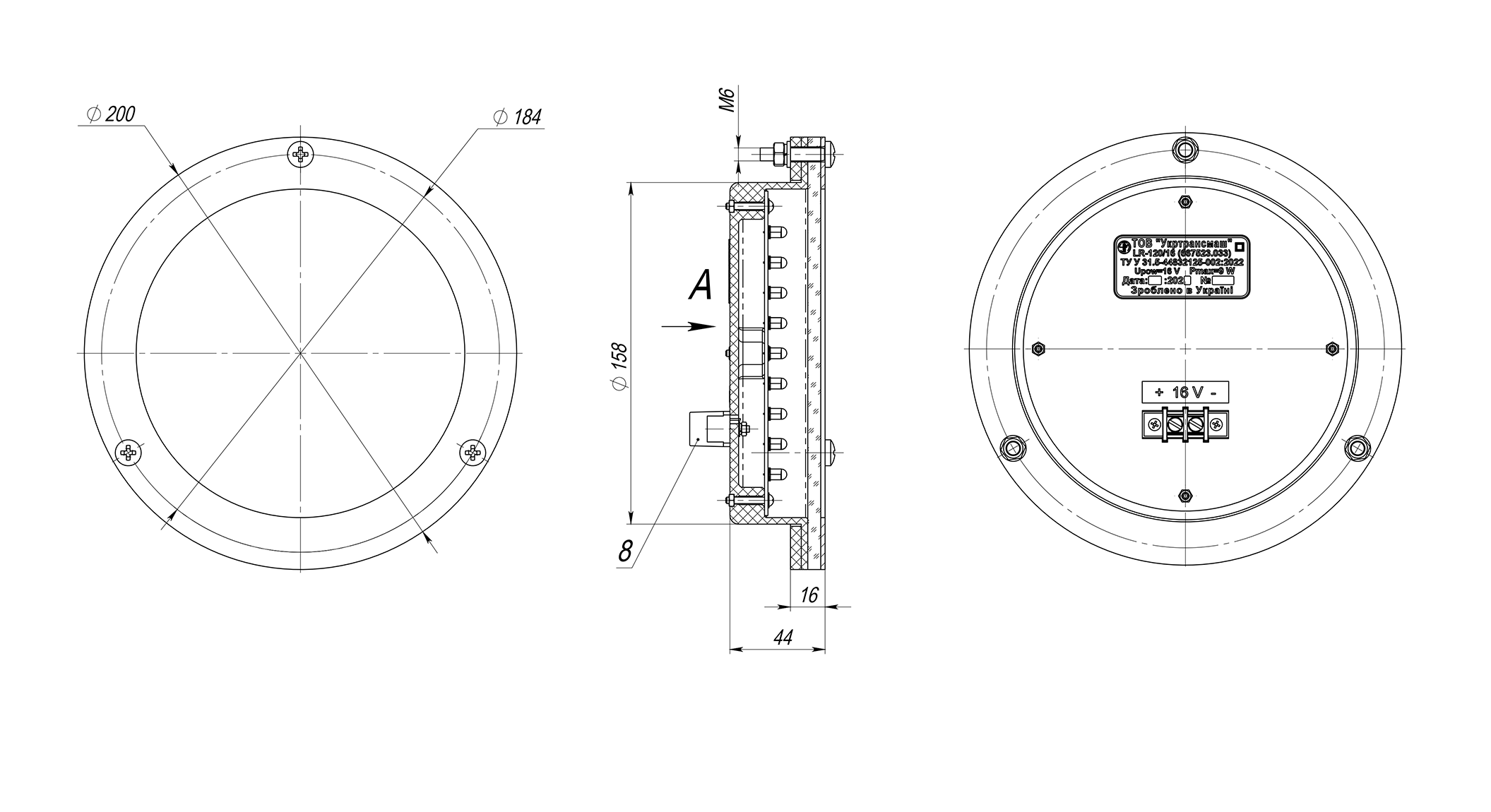
The lantern has a cylindrical steel body. The body is painted with gray powder paint. A red glow indicator module is attached to the case. The display module is connected to the housing terminal by an internal cable
From the front side, on the flange part, the structure is protected by polycarbonate glass, hermetically glued to the case. From above, the glass is covered by a steel washer, fixed with four screws, which are also used to attach the lantern to the locomotive body
On the rear surface of the case there is a screw terminal for connecting to the LW-160/110 buffer white lamp, from which the power supply is supplied
A rubber gasket is used under the body pressing surface
01.
Technical characteristics
-
Light power: 340 cd
-
The angle of illumination: 60°
-
Supply voltage: 110V/50V/24V
-
Type of current: direct
-
Power consumption: 8 W
-
Protection level: IP65
-
Overall dimensions:
-
-
200x44 мм
-
02.
Modifications
-
Assignment
-
ЕR2R, ЕR2Т, ЕR9Е, ЕR9М, ЕR9Т, ЕD4М, ЕD9М, ЕPL2Т, ЕPL9Т
